电子技术基础:电阻
电阻是表示导体对电流阻碍作用的大小,符号是“R”。电阻是一种使用得最多的电子元件,我几乎没有看到过一种没有内含电阻的电子设备。顾名思义电阻的作用主要是阻碍电流,下面我们对这个问题详细分析一下,看看电阻的具体作用。
为使通过用电器的电流不超过额定值或实际工作需要的规定值,以保证用电器的正常工作,通常可在电路中串联一个可变电阻。当改变这个电阻的大小时,电流的大小也随之改变。我们把这种可以限制电流大小的电阻叫做限流电阻。这是电阻的作用之一。
如图1所示,在给蓄电池充电的电路中,为了使充电电流不超过规定值,可在电路中接入限流的电阻。在充电过程中,适当调节接入电阻的大小,可使电流的大小保持稳定。再如在可调光台灯的电路中,为了控制灯泡的亮度,也可在电路中接入一个限流电阻,通过调节接入电阻的大小,来控制电路中电流的大小,这都是电阻的作用,从而控制灯泡的亮度。

图1〈电阻的作用〉
电阻的分压作用
一般用电器上都标有额定电压值,若电源比用电器的额定电压高,则不可把用电器直接接在电源上。在这种情况下,可给用电器串接一个合适阻值的电阻,让它分担一部分电压,用电器便能在额定电压下工作。我们称这样的电阻为分压电阻。如图4所示的电路,当接入合适的分压电阻后,额定电压为3V的电灯便可接入电压为12V的电源上。又如我们常用的测电笔里有一个阻值很大的高电阻,它也是一个分压电阻。人体的电阻一般为高电阻的 ,这样人站在地面上用测电笔接触220的电源,那么测电笔中高电阻分压约为200V,人体承受的电压就只有20V,低于36V,这样就没有触电的危险了。再如在缺电流表测待测电阻的实验设计中,也常使用分压电阻与待测电阻串联,再利用分压公式,便可求出待测电阻的阻值了。(电路图设计如图5所示)

图4

图5
电阻还有将电能转化为内能的作用
电流通过电阻时,会把电能全部(或部分)转化为内能。用来把电能转化为内能的用电器叫电热器。如电烙铁、电炉、电饭煲、取暖器等等
0欧姆电阻的作用:
1,在电路中没有任何功能,只是在PCB上为了调试方便或兼容设计等原因。
2,可以做跳线用,如果某段线路不用,直接不贴该电阻即可(不影响外观)
3,在匹配电路参数不确定的时候,以0欧姆代替,实际调试的时候,确定参数,再以具体数值的元件代替。
4,想测某部分电路的耗电流的时候,可以去掉0ohm电阻,接上电流表,这样方便测耗电流。
5,在布线时,如果实在布不过去了,也可以加一个0欧的电阻
6,在高频信号下,充当电感或电容。(与外部电路特性有关)电感用,主要是解决EMC问题。如地与地,电源和IC Pin间
7,单点接地(指保护接地、工作接地、直流接地在设备上相互分开,各自成为独立系统。)
8,熔丝作用
电阻的分流作用
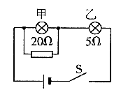
当在电路的干路上需同时接入几个额定电流不同的用电器时,可以在额定电流较小的用电器两端并联接入一个电阻,这个电阻的作用是“分流”。例如:有甲、乙两个灯泡,额定电流分别是0.2A和0.4A,显然两灯泡不能直接串联接入同一电路。但若我们在甲灯两端并联一个合适的分流电阻(如图2所示),则当开关S闭合时,甲、乙两灯便都能正常工作了。

图2
再如,在缺电压表测电阻的实验设计中,可设计如图3所示的实验电路,利用分流电阻R与待测电阻并联,借助于电流表测干路电流和分流电阻R中的电流,利用并联分流公式,可求出待测电阻 的阻值。如果只有一个电流表,可将电流表先后接在干路或不同的支路中测出I和 (或 和 或 和 ),也可求出 。

图3
电阻的单位:
国际单位:欧姆,简称:欧(Ω)。
常用单位:兆欧(MΩ),千欧(kΩ)。
1Ω的含义:当导体两端电压为1V,通过的电流为1A,这段导体的电阻为1Ω
