
图1. 电动汽车中高压加热器的工作模式
普通的电动汽车需要5kW~7kW的加热功率来满足取暖所需。如果汽车的加热系统仅通过负载电阻(加热元件)进行加热,则该功率范围会相应地缩小。但是,也有一些加热系统不仅仅依靠电阻来发热,而是使用了热泵原理:通过外部提供能量的方式将热能从冷源(环境)传递到热源(车内)。热泵的能量平衡性优于负载电阻加热的方式,并且对功率范围的影响较小。然而,使用这种加热系统时,造车成本会增加,并且其实用性取决于环境温度。在冬季非常寒冷的地区,这种系统无法产生足够的热量,在这些地方,传统的电阻加热器是必不可少的。
加热系统不仅能够确保乘坐者的舒适性,还具有重要的安全功能。例如,为车窗除霜或进行车内除湿,从而使驾驶员可以清晰地看到外面的路况。电池需要一定的工作温度,而加热器可以确保电池始终处于正常的工作温度范围内。如果出现高压峰值,加热器还可以充当放电电阻;如果汽车电气系统的电压异常升高,则该系统能够吸收异常能量,从而限制过电压的程度。这些功能可以保护电池以及与汽车电气系统相连接的其他系统。
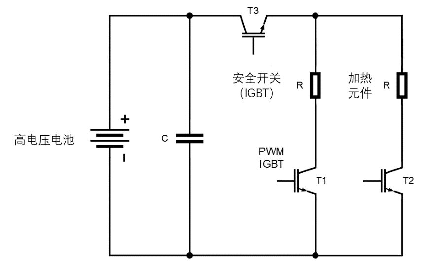
简易的电阻加热器如图2所示。开关的占空比可调,能够使功率输出始终与设定值匹配。几个(通常是两个或三个)加热支路并联,以更好地进行热量分散。为了在发生故障时能够安全地关断加热系统,需要配置安全开关,并在正常运行期间确保安全开关始终处于接通状态。如果发生故障,这些开关将关断,从而断开加热元件与车辆的高压电气系统的连接。

图2. 具有两个加热元件的高压加热器的基本电路
该案例中使用的断路器只有IGBT。这种IGBT技术在大电流条件下具有非常好的传导特性。虽然与MOSFET相比开关损耗较高,但基本可以忽略,因为开关频率通常在几十赫兹(两位数)至几千赫兹的范围之间。此外,产品阵容中包括650V和1200V两种电压级,都是普通加热系统中常用的电压级。表1中列出了ROHM提供的符合AEC-Q101标准的分立封装RGS系列IGBT,非常适用于这类应用。这些IGBT具有非常高的可靠性,能够满足加热器的典型要求,下面进一步进行详细介绍。

表1 ROHM IGBT RGS系列的产品阵容
大多数为400V电池设计的系统通常使用650V的IGBT。然而,近年来,为了提高加热器的耐压能力,越来越倾向于使用1200V的解决方案。如果从电池到加热器的电源突然中断,则汽车电气系统中的线路会产生明显的过电压,甚至可能会损坏开关。因此,可以利用功率半导体具有较高的击穿电压这一特性来防止加热器损坏。1200V IGBT支持800V的电池系统,并且可以通过串联的方式来增加过压负载能力。
该应用的另一个特点是开关速度(dVCE/dt,dIC/dt)。开关速度取决于系统。与其他大部分旨在实现高速开关频率的应用相反,在该应用案例中,开关速度通常被限制在较低水平。究其原因,一方面是受制于EMC(电磁兼容性)的局限性,另一方面是由于不使用滤波器或尽可能地减少滤波器以节省成本的设计思想。一种简单的方法是降低IGBT在开关过程中的速度,以减少开关上升沿和下降沿的高次谐波成分。虽然这种解决方案会导致IGBT在开关过程中的损耗增加,但并不需要为此增加任何元器件。可以通过降低开关频率来补偿增加的损耗。开关时间在几微秒(个位数)的范围内。在极少数情况下,可以达到十几微秒(较小的两位数)的程度。图3为栅极电阻在千欧范围内的IGBT导通过程示例。由于是阻性负载,而不是常见的感性负载,因此电压曲线和电流曲线在开关过程中会交叉。

图3. 具有阻性负载且RG = 1.1kΩ的IGBT(RGS80TSX2DHR)的导通过程
尽管这种处理IGBT的方式对于有经验的设计人员来说似乎不太常见,但也并不是完全不可行。不过,也不要把开关时间降得太慢。应避免IGBT在每次开关期间出现过大的温度尖峰,以免损害功率循环能力。另外,极慢的开关时间对于IGBT来说可能也存在风险,因为它在开关过程中会以较低的栅极电压工作。根据ROHM的经验,适当减缓开关速度并不会引发问题。凭借从各种项目中获得并积累的宝贵经验,ROHM能够为客户的评估提供有效的建议,以帮助客户找到更好的解决方案。
IGBT还有一个不容忽视的特点,即短路耐受能力(确保在出现故障时关断)。通常,短路检测需要几微秒的时间才能做出反应。ROHM RGS系列IGBT中,650V级产品的短路耐受时间为8μs,1200V级产品的短路耐受时间为10μs。出色的短路耐受能力有助于成功地实施故障处理对策。
选择功率半导体的另一原因是封装。在该应用案例中,主要使用采用通孔插装技术(THT)的元器件。将它们连接到外部散热器,可以轻松地实现冷却。但是,由于通孔插装技术需要额外的工序,因此在生产过程中存在其缺点。而采用表面贴装技术(SMT)的元器件(例如常见的TO-263封装产品)可以直接与其他元器件焊接在一起,更具成本优势。尽管该技术必须通过PCB散热,对散热的要求更高,但这并不妨碍当今的一些制造商考虑使用该技术。ROHM一直致力于相关研究,以便及时做出反应。目前,正在开发采用SMT技术的产品,不断地扩充RGS系列IGBT的产品阵容。图4为ROHM RGS系列IGBT采用的不同封装规格。

图4. RGS系列IGBT的封装阵容
