晶闸管和二极管定义
晶闸管导通条件为:加正向电压且门极有触发电流;其派生器件有:快速晶闸管,双向晶闸管,逆导晶闸管,光控晶闸管等。它是一种大功率开关型半导体器件,在电路中用文字符号为“V”、“VT”表示(旧标准中用字母“SCR”表示)。
晶闸管(Thyristor)是一种开关元件,能在高电压、大电流条件下工作,并且其工作过程可以控制、被广泛应用于可控整流、交流调压、无触点电子开关、逆变及变频等电子电路中,是典型的小电流控制大电流的设备。1957年,美国通用电器公司开发出世界上第一个晶闸管产品,并于1958年使其商业化。

早期的真空电子二极管;它是一种能够单向传导电流的电子器件。在半导体二极管内部有一个PN结两个引线端子,这种电子器件按照外加电压的方向,具备单向电流的传导性。一般来讲,晶体二极管是一个由p型半导体和n型半导体烧结形成的p-n结界面。在其界面的两侧形成空间电荷层,构成自建电场。当外加电压等于零时,由于p-n 结两边载流子的浓度差引起扩散电流和由自建电场引起的漂移电流相等而处于电平衡状态,这也是常态下的二极管特性。
早期的二极管包含“猫须晶体(“Cat‘s Whisker” Crystals)”以及真空管(英国称为“热游离阀(Thermionic Valves)”)。现今最普遍的二极管大多是使用半导体材料如硅或锗。

晶闸管和二极管是两类不同的器件,谈不上区别。二极管是一个单向导电器件。晶闸管有单向和双向之分,通常的晶闸管,开通后不能自行关断,需要在外加电压下降到0甚至反向时才关断。
晶闸管除了加正向偏置电压外还要在控制极加上控制脉冲才能导通,二极管没有这个要求,只要正向偏置(大于0.7V)就导通。他们都有单向导电性,但是晶闸管必须在控制极加上控制电压后才可以正向导通;晶闸管主要用来整流,二极管除了整流,还可以检波、稳压。

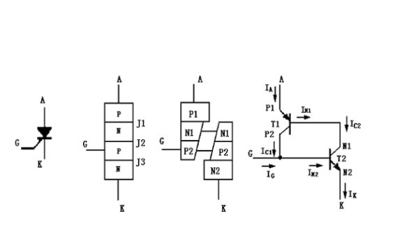
晶闸管是晶体闸流管的简称,又可称做可控硅整流器,以前被简称为可控硅;晶闸管是PNPN四层半导体结构,它有三个极:阳极,阴极和门极; 晶闸管具有硅整流器件的特性,能在高电压、大电流条件下工作,且其工作过程可以控制、被广泛应用于可控整流、交流调压、无触点电子开关、逆变及变频等电子电路中。
二极管是电子元件当中,一种具有两个电极的装置,只允许电流由单一方向流过,许多的使用是应用其整流的功能。而变容二极管(Varicap Diode)则用来当作电子式的可调电容器。大部分二极管所具备的电流方向性我们通常称之为“整流(RecTIfying)”功能。二极管最普遍的功能就是只允许电流由单一方向通过(称为顺向偏压),反向时阻断 (称为逆向偏压)。因此,二极管可以想成电子版的逆止阀。
晶闸管与二极管的伏安特性曲线有什么区别?
1.如果是单向晶闸管且处于加入直流又处于触发状态其伏安特性曲线是一样的。
2.不触发状态,其正向不一样,反向则相同。
3.双向晶闸管则完全不同于二极管。
