万用表粗测晶体管时,万用表应置于电阻档,其等效电路如图1中虚线框内所示,其中以R0为等效内阻,U0为表内电压源。当万用表置于R×1、R×100、R×1k档时,U0=1.5V。

1、测二极管
万用表置R×lk档,两表笔分别接二极管的两极,若测得的电阻较小(硅管数干欧、锗管数百欧),说明二极管的PN结处于正向偏置,则黑表笔接的是正极,红表笔接的是负极。反之二极管处于反向偏置时,呈现的电阻较大(硅管约数百千欧以上,锗管约数百干欧),则红表笔接的是正极, 黑表笔接的是负极。 若正反向电阻均为无穷大或均为零或比较接近,说明二极管内部开路或短路或性能变差。
图1 测二极管
由于发光二极管不发光时,其正反向电阻均较大且无明显差异,故一般不用万用表判断发光二极管的极性。常用的办法是将发光二极管与一数百欧(如330欧)电阻串联,然后加3V一5V的直流电压,若发光二极管亮,说明二极管正向导通,则与电源正端相接的为正极,与负端相接的为负极。如果二极管反接则不亮。 要特别说明的是,不少人测试发光二极管的方法不正确。如用9V层叠电池直接点亮发光二极管,虽然可正常点亮,但这种作法在理论上是完全错误的。
发光二极管的外特性与稳压二极管相同,导通时其端压为1.9V左右(5mm)。当它与电源相连时,回路中必须设置限流电阻,否则一旦外加电压超过导通压降,将由于过流而损坏。直接用层叠电池点亮时可正常点亮不损坏发光二极管,是因为层叠电池有较大的内阻,正是内阻起到了限流作用。如果用蓄电池或稳压电源直接点亮发光二极管,则由于内阻小,无法起到限流作用,顷刻将发光二极管烧毁。稳压二极管与变容二极管的PN结都具有正向电阻小反向电阻大的特点,其测量方法与普通二极管相同。但须注意:稳压二极管的反向电阻较普通二极管小。
2、测晶体三极管
利用万用表可以判别三极管的类型和极性,其步骤如下:
①判别基极B和管型时万用表置月×lk 档,先将红表笔接某一假定基极B,黑表笔分别接另两个极,如果电阻均很小(或很大),而将红 黑两笔对换后测得的电阻都很大(或很小),则假定的基极是正确的。基极确定后,红笔接基 极,黑笔分别接另两个极时测得的电阻均很小, 则此管为PNP型三极管,反之为NPN型,测试电路如图2所示。

图2 判断三极管基极
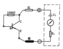
②判别发射极E和集电极C如图3所示。若被测管为PNP三极管,假定红笔接的是C极,黑笔接的是E极。用手指捏住B、C两 极(或在B、C间串接十个100k电阻)但不要使B、C直接接触。若测得电阻较小(即Ic大), 再将红黑两笔互换后测得的电阻较大(即Ic 小),则红笔接的是集电极C,黑笔接的是发射 极E。如果两次测得的电阻相差不大说明管子的性能较差。按照同样方法可以判别NPN型三极管的极性。
图3 判断三极管E与C


