双向触发二极管的代换方法
双向触发二极管(2CTS)是属于三层结构,具有正、反向转折电压,且其正、反向伏安特性非常对称。常见型号有DB3型双向触发二极管,实测它的正反向击穿(可逆)电压为25V左右。附图2为简易击穿电压测试仪,测量400V以下中小功率硅晶体管及稳压管的耐压值,测量误差不大于10%(使用时注意安全)。
根据DB3型双向二极管的这一特点,笔者在实践中用图1所示元件组成a~d电路可“应急”代替双向触发二极管。代换中注意:

1、图1中,a电路两只9012管参数(击穿电压)最好一致。经实测该电路正反向击穿电压为60V左右。
2、图1中,b电路经实测正反向击穿电压为70V左右,该电压高低由电容耐压值决定。
3、图1中,c电路发光二极管(LED)应通过反向击穿电压测试挑选后才能组合(因同一型号的LED反向击穿电压差别也很大,有20V~300V不等)。使用时应选其反向击穿电压20V-60V同值组合。
4、图1中,d电路由两个同值稳压管组合,正反向击穿电压为该单管稳压值加上0.7V所决定。
上述a-d电路有一个共同特点,它们各有一个近似对称的正反向击穿电压,这与双向触发二极营(DB3型)极为相近。用来代换调光台灯中的双向触发二极管,有较理想效果。
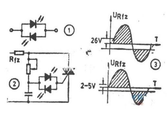
用发光管代用双向触发二极管
在可控硅调压电路、彩电开关电源以及电子镇流器中,经常要遇到双向触发二极管CTS,但是,该元器件不太易购,且电参数离散性又大。在实践中,完全可以用两个发光二极管LED反向并联代用,如图l所示。在典型的可控硅调压电路中如图2,正由于发光二极管的起辉电压低(视二极管材料不同,一般在2-5伏左右)即可触发可控硅导通,因此使原调压电路的调压范围更接近于理论值0~220V全电压调节。我们知道,一般双向触发二极管(CTS)的转折电压最低点在26伏左右,亦即工频正弦波实际是在26伏起始,如图3所示。而用发光二极管LED触发,显然更接近于原设计要求。

