判断光耦的好坏,可测量其内部二极管和三极管的正反向电阻来确定。接下来,小编给大家带来三种可靠的检测方法:
1.数字万用表检测法
下面以PCIll光耦检测为例来说明数字万用表检测的方法,检测时将光耦内接二极管的+端①脚和—端②脚分别插入数字万用表的hfE的c,e插孔内,此时数字万用表应置于NPN挡;然后将光耦内接光电三极管c极⑤脚接指针式万用表的黑表笔,e极④脚接红表笔,并将指针式万用表拨在Rxlk挡。这样就能通过指针式万用表指针的偏转角度——实际上是光电流的变化,来判断光耦的情况。指针向右偏转角度越大,说明光耦的光电转换效率越高,即传输比越高,反之越低;若表针不动,则说明光耦已损坏。

2. 比较法
拆下怀疑有问题的光耦,用万用表测量其内部二极管、三极管的正反向电阻值,用其与好的光耦对应脚的测量值进行比较,若阻值相差较大,则说明光耦已损坏。
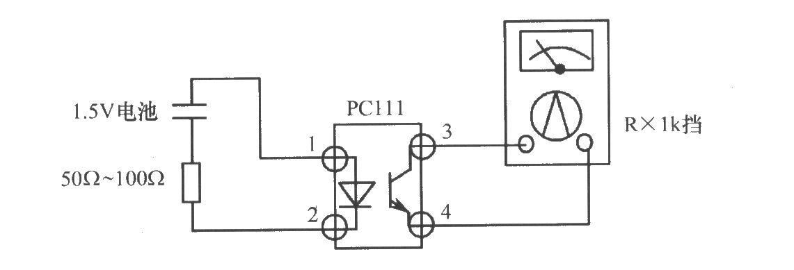
3、光电效应判断法
仍以ICIll光电耦合器的检测为例,将万用表置于Rxlk电阻挡,两表笔分别接在光耦的输出端④、⑤脚,然后用一节1.5V的电池与一只50~100欧的电阻串接后,电池的正极端接PC111的①脚,负极端碰接②脚,或者正极端碰接①脚,负极端接②脚,这时观察接在输出端万用表的指针偏转情况。如果指针摆动,说明光耦是好的,如果不摆动,则说明光耦已损坏。万用表指针摆动偏转角度越大,表明光电转换灵敏度越高。

以上就是小编为大家推荐检测光耦的三种可靠方法,找个机会可以去尝试一下哦!
